• Zárak

  • Zárak
    AK típusú zárak

    kód jellemzők
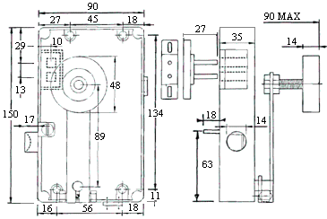
    D530010/28 félautomata zár - AK
    Lengőajtóhoz
    d. 28 mm görgővel
    D530010/48 félautomata zár - AK
    Lengőajtóhoz
    d. 48 mm görgővel
    95/16/CE - Aluminium ház - átlátszó fedél
    névl. áram 1,5 A - feszültség 80 V DC / 240 V AC - védettség: IP20
    IMQ N.IO128 tanúsítás
    Comfort-Lift

    kód jellemzők
    D530015/28 félautomata zár - AK, működtetés szemből
    Lengőajtókhoz
    d. 28 mm görgővel
    D530015/48 félautomata zár - AK, működtetés szemből
    lengőajtókhoz
    d. 48 mm görgővel
    95/16 EC - Aluminium ház - átlátszó fedél
    névl.áram 1,5 A - fesz. 80 V DC / 240 V AC - védettség: IP20
    IMQ N.IO128 tanúsítás
    Comfort-Lift

    kód jellemzők
    D530020 iker félautomata zár 2 szárnyú ajtóhoz - AK
    Comfort-Lift

    kód jellemzők
    D530021 kar és görgő d.48 (1)
    D530021/145 145mm hosszú kar + d.48 mm görgő és 60mm csap (1)
    D530022 ajtóérintkező rövidzár
    H 25 - (2)
    D530032 ajtóérintkező rövidzár
    H 27 - (2)
    D530033 ajtóérintkező rövidzár
    H 32 - (2)
    D530023 alaplemez + blokk + érintkezők (3)
    D530024 alaplemez "jelenlét" érintkezővel (4)
    D530025 belső rúd blokk érintkezővel (5)
    D530026 d.48 görgő csapon anyacsavarral (6)
    D530027 d.28 görgő csapon anyacsavarral (7)
    D530028 átlátszó fedél csavarral (8)
    D530029 kar és görgő d.28 (1)
    Comfort-Lift
    A változtatás jogát fenntartjuk.