• Vezetősínek

  • Vezetősínek
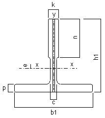
    Vezetősínek - hidegen húzott - GF1
    Vezetősínek - hidegen húzott, GF1 típus
    kód típus ISO 7465 méret mm
    D120120 GF770 - 70x70x9
    D120130 GF765 T70-1/A 70x65x9
    D120140 GF762 T75-3/A 75x62x10
    Anyag: S235JRG acél (UNI EN 10025) Kr = 370 N/mm˛
    standard hossz.: 5 m
    Tartozék (valamannyi sínhez): 1 síntoldás + 8 anya, csavar, alátét
    Comfort-Lift

    Vezetősínek - hidegen húzott GF1 típus
    Comfort-Lift
    A változtatás jogát fenntartjuk.