• Vezetősínek

  • Vezetősínek
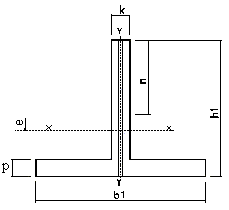
    Vezetősínek - hidegen húzott - GL
    Vezetősínek - hidegen húzott, GL típus
    kód típus ISO 7465 méret mm
    D120010 GL445 T45/A 45x45x5
    D120040 GL505 T50/A 50x50x5
    D120050 GL506 - 50x50x6
    D120070 GL708 T70-2/A 70x70x8
    D120080 GL809 - 80x80x9
    Anyag: S235JRG acél (UNI EN 10025) Kr = 370 N/mm˛
    Standard hossz.: 5 m
    Tartozék: (minden egyes sínhez): 1 síntoldás + 8 anya, csavar, alátét
    Comfort-Lift

    Comfort-Lift
    A változtatás jogát fenntartjuk.